-
全国免费热线
18262992219

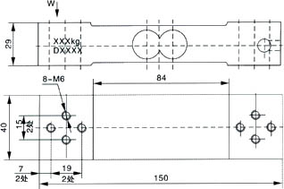
技术指标:
| 型号 | HL6E | |
| 量程 | Kg | 50,100,150,200,350 |
| 综合误差 | 0.02 | |
| 输出灵敏度 | mV/V | 2.0±0.2 |
| 非线性 | %F.S | ±0.02 |
| 重复性 | %F.S | ±0.02 |
| 滞后 | %F.S | ±0.03 |
| 蠕变 | (30min)%F.S | ±0.02 |
| 零点温度漂移 | %F.S/10℃ | ±0.1 |
| 额定输出温度漂移 | %F.S/10℃ | ±0.03 |
| 零点输出 | %F.S | ±2 |
| 输入电阻 | Ω | 395±10 |
| 输出电阻 | Ω | 350±10 |
| 绝缘电阻 | MΩ | ≥2000(50V) |
| 推荐激励电压 | V | ≤10 |
| 工作温度范围 | ℃ | -10~+40 |
| 过载能力 | %F.S | 150 |
| 推荐用途 | 电子台秤、计价秤、计数秤 | |

功能特点:
HL6E称重传感器可满足30~350kg量程范围内称量;
铝合金材质,平行梁结构;
硅橡胶密封,表面阳极化,耐腐蚀性佳;
适用于电子台秤、计价秤和计数秤等称量设备。
Copyright © 2001-2024 江苏宏力称重设备有限公司 All Rights Reserved.苏ICP备17009522号
手机:18262992219 传真:0519-83368786 邮箱:911908942@qq.com
地址:常州武进国家高新技术产业开发区龙惠路21号
技术支持:宏力称重

